详情
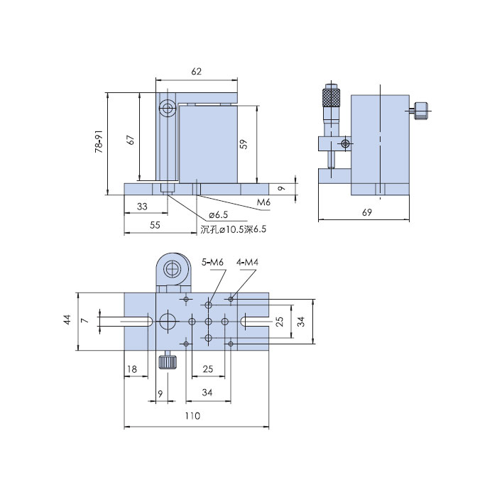
特点:·采用进口高品质线性轴承导轨副,精度较高
·双导轨过定位结构保证运动平稳舒适
·测微头直接驱动,定量读数,且测微头驱动置于外侧,更便于调整
·升降台弹簧复位,消除空回
·台面有φ12mm的孔可直接与接杆连接
·底座和台面均有标准孔距的连接孔,方便与其它位移台连接,组成多维移动台
|
台面直径 |
62mm x 44mm |
|
驱动方式 |
测微头 |
|
升降行程 |
13mm |
|
最小刻度 |
10μ |
|
最小调整量 |
2μ(参考) |
|
导轨形式 |
线性轴承导轨 |
|
承载 |
2kg |
|
直线度 |
16μ |
|
台面平行度 |
60μ |
|
运动垂直度 |
30μ |
|
自重 |
0.3kg |
|
材料 |
无锈钢 |
|
表面处理 |
阳极氧化 |
相关









