详情
特点:·标准配备有步进电机和标准RS232接口,配合ZXC系列运动控制器可实现自动控制
·旋转轴系采用轴承钢材料精密加工而成,配合精度高,承载大,寿命长
·传动采用蜗轮蜗杆结构,台面可以任意正反旋转
·蜗轮蜗杆经过精密研配,运动舒适,空回极小
·巧妙设计的消间隙结构,可以调整因长期使用造成的间隙
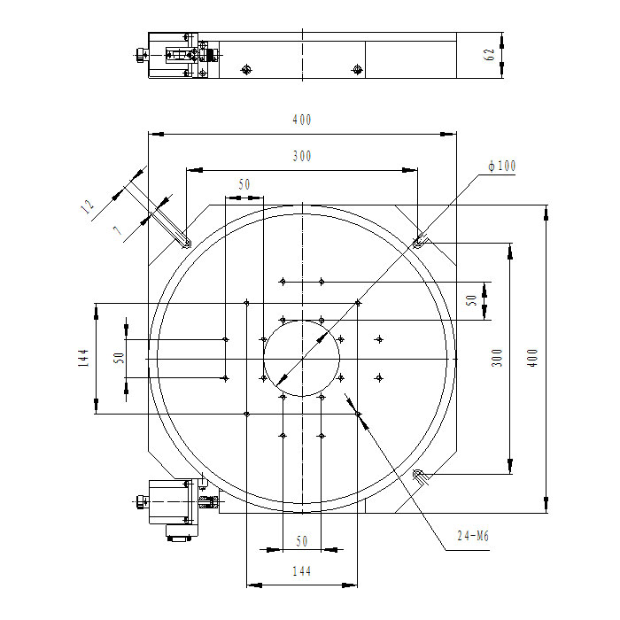
·中心通孔直径有公差限制,通孔的中心与旋转中心重合,方便定位
·步进电机和蜗杆通过进口高品质弹性联轴节连接,传动同步且噪音小
·台面外圈是刻度圈,周圈激光刻划标尺且可以相对台面转动,方便读数和初始定位
·可换装伺服电机,适合工业应用
|
台面直径(mm) |
400 |
|
传动比 |
720:1 |
|
重复定位精度 |
<0.003° |
|
标配电机 |
57步进(1.8°) |
|
最大静转矩 |
1.2Nm |
|
额定工作电流 |
2.8A |
|
最大速度 |
5°/sec |
|
分辨率(8细分) |
0.0003125° |
|
中心通孔直径(mm) |
Ф100+0.025 |
|
标配零位 |
无 |
|
中心最大负载 |
76Kg |
|
自重 |
21 Kg |
相关













