详情
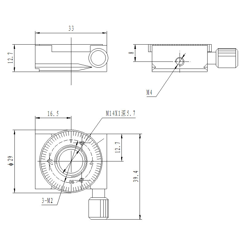
特点:·台面可以360°旋转粗调
·台面360°刻划,方便读数
·精密轴系设计,轴系间隙可调,稳定性好
·精密研配蜗轮蜗杆传动,减速比大,精度高,载重大
·结构上能调整蜗轮蜗杆的中心距,减小啮合产生的空回
·中心孔径,方便通光或安装连接其它产品
·上下部均有标准孔距的连接孔,方便与其它位移台连接,组成多维移动台
|
台面直径 |
φ29mm |
|
驱动方式 |
蜗轮蜗杆 |
|
调整范围 |
360° |
|
最小刻划 |
5° |
|
最小读数 |
5° |
|
最小调整量 |
3′(参考) |
|
承载 |
0.2kg |
|
中心孔径 |
φ13mm |
|
台面端跳 |
60μ |
相关













